网站首页
|
网站导航
|
留言反馈
联系电话
022-67160791
网站首页
泰鼎沿革
企业文化
经营范围
资质荣誉
泰鼎动态
公司新闻
行业新闻
服务项目
处理类别
处理过程
处理设备
产品介绍
拓展阅读
法律法规
技术标准
环保课堂
泰鼎大事记
招贤纳士
人才培养
福利待遇
人才招聘
客服中心
文档下载
售后服务
联系我们
在线留言
泰鼎动态
行业新闻
泰鼎公开
公司新闻
扩展阅读
法律法规
环保课堂
技术标准
客服中心
联系我们
文档下载
售后服务
最新资讯
泰鼎2019年12月拆解情况
泰鼎2019年11月拆解情况
泰鼎2019年10月拆解情况
2019年第四季度自行监测方
2019年第4季度环境信息公
泰鼎(天津)环保科技有限公司
泰鼎(天津)环保科技有限公司
泰鼎监测方案10月
泰鼎环保环境信息公开 201
泰鼎2019年9月拆解情况公
点击排行
处理类别
海绵金
钯锭
处理过程
防污防治设备
金针
白银
海绵钯
银锭
贵金属回收设备
搜索
首页
>
扩展阅读
>
技术标准
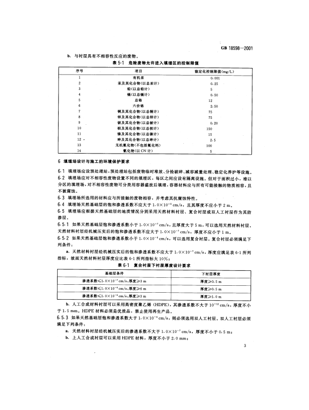
《危险废物填埋污染控制标准》
2018-05-31 22:40:44 点击:
上一篇:
《危险废物焚烧污染控制标准》
[2018-05-31]
下一篇:
《危险废物贮存污染控制标准》
[2018-05-31]
售前QQ客服
手机网站二维码